摘 要 本文主要介绍LED灯的芯片对温度异常敏感的特性,采用各种措施介绍温升问题,从有效提高LED灯的寿命和光衰问题。
关键词 LED光源 散热 光衰
1、LED冷光源之说
LED靠电子在能带间的跃迁来发光,它光谱单一,不含红外部分,不同于传统的固体热致发光光源的白炽灯。因此将LED称作“冷”光源,其实LED芯片仅能将不到10%的电能转化为光能,其余90%转化为热能。而且这些热能的大部分只能靠传导散发出去。因此,良好的散热设计对LED的正常使用非常重要。
2、LED对工作温度要求严
LED的芯片对温度异常敏感,这也是半导体的共性。从下列的图及表格中可以看出LED的使用寿命与结温(Tj)关系。
通常把亮度(光通量)降到一半的时间称为半衰期,行业内将LED的使用寿命定义为它的半衰期。
LED的半衰期同P-N结(Tj点)结点的温度有如下函数关系。Bt=B0e-t/ck可用如下曲线表示:

其中B0为初始使用时的光通量,Bt为使用t时间后的光通量,e为对数常数,c为常数,t为使用时间,k为温度。
(表一)半衰期(寿命)同结温对照表:

由以上图、表可见,通常讲的LED的使用寿命十万小时是指P-N结温在25℃时的半衰期。目前市面上绝大部分W级LED的使用结温(Tj)都在95℃以上。也就是说它的使用寿命只有780小时左右。
3、散热
经实际测试及经济性等全方面的衡量,建议LED的结温应控制在55℃以下,假设天气温度为35℃要达到结温55℃以下,则在自然对流的情况下,每1W需要100cm2的外壳散热面积,且芯片与散热板间热阻每瓦Re<10k/w.
4、用钢支架取代铜支架的不利影响
现在市面上99%的?、?、?LED为节省制造成本使用了钢支架,采用钢支架LED的寿命只有使用铜支架寿命约1/4,因此建议一定要采用铜支架,采用铜支架的“食人鱼”颗粒就是很好的例子。
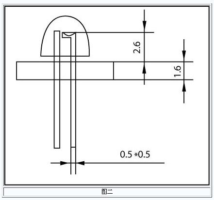
如图为典型的?
LED的结构,LED结点的热量主要依靠阴极脚导出、阴极脚的尺寸见(图二)。通过以下的计算可以看出采用铜及钢支架的不同。
图二

温差K=热能(w)×热阻(k/w)
热阻Re=h/(l*A)
其中K为传导的距离 l为材料的热导率 A为导热面积
铜的热导率:l铜=407W*M-1K-1
钢的热导率:l钢=48W*M-1K-1
LED结点生产的热量为20mA*3.3V*0.9 = 0.06W
阴极的导热距离h=1.6 mm+2.6 mm=4.2×10-3m
导热面积A=0.5mm×0.5mm=0.25×10-6m2
铜支架热阻Re=---------=41.27K*W-1
钢支架热阻Re=---------=350K*W-1
铜支架的温差:0.06W*41.27*KW-1=2.4℃
钢支架的温差:0.06W*350KW-1=21℃
通过以上计算,查(图一)、(表一)可知钢支架的半衰期只有铜支架的约1/4.

